Search
Login
Register
Menu
Home
Ken's Machine Shop
About Ken
Ken's Creations
Ken's Creations 2
Ken's Creations 3
Ken's Creations
A Patented VTOL Compound Aircraft Powered by Ken's Invention.
Concept for above Aircraft Proven on next page.
BOM of a Patented "Tattle Tale" used in the Oil & Gas Drilling Industry. Invented by Ken
Teardrop Version of Tattle Tale
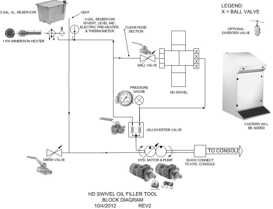
Hydraulic Oil Filler Block Diagram
Same Aircraft but Different Paint Job
Reaction Driven Tiltrotor is Another Patented Concept by Ken
Ghost View of above Aircraft
Manifold & Fluid Control for Tiltrotor above