Ken's Creations - page 2

Collage of Photos Showing the Creation of the Rotors

If you look closely you can see the nozzles at the blade tips.  My tests were done using a large trailer mounted industrial compressor.  While the pressure required was only about 13 psi, the volume was up around 250 to 300 cfm.

 

1/4-Scale Rotor Mounted to Test Bed

 

 

Inside of Permanent Magnetic Motoer that has yet to Run.

Backend of Rotor Test Facility

 

 

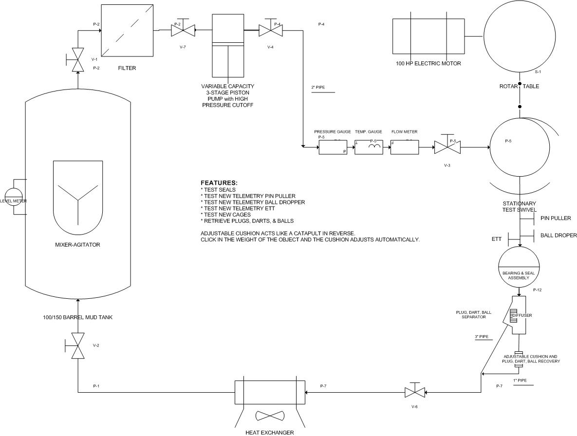
Rotary Oil-Drilling-Tool Test Facility

Block Diagram that includes Rotary Oil-Drilling-Tool Test Facility above.

Water Jet-Ski Pump Assembly

Water Jet-Ski Pump - Another View

I designed this jet pump in SolidWorks for mechanical engineer Jim Giebeler.  It is a combination disc and impeller pump that will not cavitate.

Minibike built ~1965

The greenish cube behind the engine is a Vicker's hydraulic transmission.  The transmission was originally designed for turning the gun turrets on B-17 Bombers.  They were sold war surplus for $10.